
二甲醚流量計
- 品*:JKM/凱銘儀表
- 型號:JKM-LUGB
- 測量范圍:5-11000m3/h
- 精度等級:1.5級、1.0級
- 公稱通徑:DN20~DN1200
- 適用介質:氣體、液體、蒸汽
- 工作壓力:1.6MPa~10MPa
- 工作溫度:-80℃~450℃
- 供電方式:24VDC 鋰電池
- 訂貨號:VKWRNMKIR939
二甲醚流量計產品概述
渦街流量計是根據卡門渦街原理研究生產的,主要用于工業管道介質流體的流量測量,如氣體、液體、蒸氣等多種介質。其特點是壓力損失小,量程范圍大,精度高,在測量工況體積流量時幾乎不受流體密度、壓力、溫度、粘度等參數的影響。無可動機械零件,因此可靠性高,維護量小。儀表參數能長期穩定。渦街流量計采用壓電應力式傳感器,可靠性高,可在-20℃~+250℃的工作溫度范圍內工作。有模擬標準信號,也有數字脈沖信號輸出,容易與計算機等數字系統配套使用,是一種比較先進、理想的測量儀器。
渦街流量計也稱之為旋渦流量計或卡門渦街流量計。綜合吸收發達**先進技術和總結多年研究生產經驗的基礎上進行精心設計的產品,實現了產品智能化、標準化、系列化、通用化、生產模具化、確保產品質量的美觀性。該產品具有電路先進、功耗微低、量程比寬、結構簡單、阻力損失小、堅固耐用、用途廣、使用壽命長、工作穩定、便于安裝調試等特點。
二甲醚流量計的工作原理
在流體中設置三角柱型旋渦發生體,則從旋渦發生體兩側交替地產生有規則的旋渦,這種旋渦稱為卡門渦街旋渦,如右圖所示,旋渦列在旋渦發生體下游非對稱地排列。設旋渦的發生頻率為f,被測介質平均流速為 ,旋渦發生體迎流面寬度為d,表體通徑為D,即可得到以下關系式:
f=SrU1/d=SrU/md (1)
式中
U1--旋渦發生體兩側平均流速,m/s;
Sr--斯特勞哈爾數;
m--旋渦發生體兩側弓形面積與管道橫截面面積之比
管道內體積流量qv為
qv=πD2U/4=πD2mdf/4Sr (2)
K=f/qv=[πD2md/4Sr]-1 (3)
式中
K--流量計的儀表系數,脈沖數/m3(P/m3)。
K除與旋渦發生體、管道的幾何尺寸有關外,還與斯特勞哈爾數有關。斯特勞哈爾數為無量綱參數,它與旋渦發生體形狀及雷諾數有關,圖2所示為圓柱狀旋渦發生體的斯特勞哈爾數與管道雷諾數的關系圖。由圖可見,在ReD=2×104~7×106范圍內,Sr可視為常數,這是儀表正常工作范圍。當測量氣體流量時,VSF的流量計算式為
圖2 斯特勞哈爾數與雷諾數關系曲線
式中 qVn,qV--分別為標準狀態下(0oC或20oC,101.325kPa)和工況下的體積流量,m3/h;
Pn,P--分別為標準狀態下和工況下的絕對壓力,Pa;
Tn,T--分別為標準狀態下和工況下的熱力學溫度,K;
Zn,Z--分別為標準狀態下和工況下氣體壓縮系數。
由上式可見,VSF輸出的脈沖頻率信號不受流體物性和組分變化的影響,即儀表系數在一定雷諾數范圍內僅與旋渦發生體及管道的形狀尺寸等有關。但是作為流量計在物料平衡及能源計量中需檢測質量流量,這時流量計的輸出信號應同時監測體積流量和流體密度,流體物性和組分對流量計量還是有直接影響的。
二甲醚流量計產品特點
1、雙排液晶同時顯示累計流量和瞬時流量;
2、內部鋰電池供電,無需外部電源;
3、微功耗設計,兩節+3v鋰電池可連續工作一年半以上;
4、氣體流量計內無可動部件,結構簡單而牢固,壓損小、維擴量小、使用壽命長。
5、精度等級:液體,指示值的±1.0%;氣體,指示值的±1.0%;蒸汽,指示值的±1.5%。
6、輸出信號:a.oc門脈沖輸出; b.電流4-20ma(兩線制/三線制)。
7、電源電壓:+24vdc(需要信號輸出時提供)。
8、介質溫度: 普通型a.-40℃~+130℃;b.-10℃~+250℃;
二甲醚流量計參數
1、產品名稱:渦街流量計
2、適用介質:空氣,氧氣,氮氣,氫氣,壓縮氣體(壓縮空氣流量計)的流量計量
3、管徑(DN) :DN15~DN300mm至更大
4、公稱壓力:0.6~4MPa (指連接法蘭公稱壓力,非介質的工作壓力)
5、工況溫度:-20~+80℃(需更高溫度請與工廠聯系)
6、測量精度:±1.5%FS
7、量程范圍:1:3(±0.2%) ,1:10(±0.5%), 1:15(±1.5%)
8、殼體材質:碳鋼;不銹鋼;
9、供電方式:內置3.6VDC鋰電池(可用兩年);外供24VDC;
10、輸出信號:4~20mA二線制;脈沖0~1000HZ;RS485
11、防護等級:IP65;IP67
12、防爆標志:本安型ExiallCT4;隔爆型ExdllCT4
13、表頭顯示:累積流量;瞬時流量;滿量程百分比;工況壓力;工況溫度;故障自檢
14、連接方式:管道法蘭式(DN15-300mm);插入式(DN100- N6000mm至更大)。
15、安裝要求:可水平、垂直安裝;前后直管道應滿足前10D后5D(D公稱通徑)
16、特殊連接:螺紋式;對夾式;
二甲醚流量計流量范圍
常用氣體介質的標準狀態密度(0℃,絕壓P=0.1MPa)
| 氣體名稱 | 密度(kg/m3) | 氣體名稱 | 密度(kg/m3) |
| 空氣(干) | 1.2928 | 乙炔 | 1.1717 |
| 氮氣 | 1.2506 | 乙烯 | 1.2604 |
| 氧氣 | 1.4289 | 丙烯 | 1.9140 |
| 氬氣 | 1.7840 | 甲烷 | 0.7167 |
| 氖氣 | 0.9000 | 乙烷 | 1.3567 |
| 氨氣 | 0.7710 | 丙烷 | 2.0050 |
| 氫氣 | 0.08988 | 丁烷 | 2.7030 |
| 一氧化碳 | 1.97704 | 天然氣 | 0.8280 |
| 二氧化碳 | 1.3401 | 煤制氣 | 0.8020 |
二甲醚流量計安裝尺寸
二甲醚流量計產品型譜
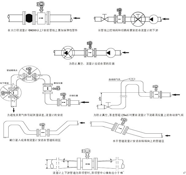
二甲醚流量計的安裝要求
1、合理選擇安裝場所和環境。避開強電力設備,高頻設備,強電源開關設備;避開高溫熱源和輻射源的影響,避開強烈震動場所和強腐蝕 環境等,同時要考慮安裝維修方便。
2、上下游必須有足夠的直管段。若傳感器安裝點的上游在同一平面上有二個90°彎頭,則:上游直管段≥25D,下游直管段≥5D 。若傳感器安裝點的上游在不同平面上有二個90°彎頭,則:上游直管段≥40D,下游直管段≥5D 。調節閥應安裝在傳感器的下游5D以外處,若必須安裝在傳感器的上游,傳感器上游直管段應不小于50D,下游應有不小于5D。
3、安裝點上下游的配管應與傳感器同心,同軸偏差應不小于0.5DN。
4、管道采取減振動措施。傳感器盡量避免安裝在振動較強的管道上,特別是橫向振動。若不得已要安裝時,必須采取減振措施,在傳感器的上下游2D處分別設置管道緊固裝置,并加防振墊。
5.在水平管道上安裝是流量傳感器*常用的安裝方式。測量氣體流量時,若被測氣體中含有少量的液體,傳感器應安裝在管線的較高處。測量液體流量時,若被測液體中含有少量的氣體,傳感器應安裝在管線的較低處。
6.傳感器在垂直管道的安裝。測量氣體流量時,傳感器可以安裝在垂直管道上,流向不限。若被測氣體中含有少量的液體,氣體流向應由下向上。測量液體流量時(液體流量計),液體流向應由下向上:這樣不會將液體重量額外附加在探頭上。
7、傳感器在水平管道的側裝。無論測量何種流體,傳感器可以在水平管道上側裝,特別是測量過熱蒸汽,飽和蒸汽和低溫液體,若條件允許*好采用側裝,這樣流體的溫度對放大器的影響較小。
8.傳感器在水平管道的倒裝。一般情況下不推薦用此安裝方法。此安裝方法不適用于測量一般氣體、過熱蒸汽。可用于測量飽和蒸汽,適用于測量高溫液體或需經常清洗管道的情況。
9.傳感器在有保溫層管道上的安裝。測量高溫蒸汽時,保溫層*多不能超過支架高度的三分之一。
10.測壓點和測溫點的選擇。根據測量的需要,需在傳感器附近測量壓力和溫度時,測壓點應在傳感器下游的3-5D處,測溫點應在傳感器下游的6-8D處。



